在电力系统中,铁磁谐振频繁发生,谐振时会产生过电压,严重威胁系统 安全。铁磁谐振过电压可以在 3~220 千伏的任何系统中发生,特别是在 35 千 伏及以下的电网中,几乎所有的内部过电压事故均由铁磁谐振引起。铁磁谐振 引起的过电压持续时间长,甚至可能长期存在。在分频谐振时,一般过电压并 不高,但是 PT 的电流大,易使 PT 过热而爆炸;基波和倍频谐振时,一般电流 不大,但是过电压很高,常使设备绝缘损坏,造成恶性事故。 电力微机消谐装置是我公司研制的新型智能化电力谐振消除装置,使用简 单方便,无需维护,能迅速地消除各种频率的铁磁谐振,准确率高。同时可根据 用户需要将相关信息打印或通过通信接口传给上级监控系统,适用于无人值守 变电站。
功能及特点:
l 模块化设计,结构紧凑,技术先进,高速32位ARM内核处理器使运算实时性和动作准确性得以保证。
l 实时监控系统状态,实时运算,对系统出现的低频、基频、高频谐振故障做出准确判断,并作出及时动作。
l 实时显示三相电压、开口电压,能准确判断出接地、过压欠压、谐振。
l 系统谐振被阻尼消除后若再次被激发产生,装置能再次立即起动予以消除。
l 工业标准的RS-485通讯接口,可以实时向上位机传送系统的运行状态。
l 故障追忆功能,大容量Flash存储器保存最近30次历史故障记录。
l 具有良好的电磁兼容性,适合在强电磁干扰的复杂环境中应用。
l 双硬件看门狗电路确保软件运行的可靠性。
l 中文液晶显示,运行状态清晰,菜单式操作,方便易用。
技术指标及使用环境
1. 适用范围:3kV―35kV系统。
2. 消谐路数:1路(可定制2路产品)。
3. 适用谐振频率:高频、低频、工频谐振。
4. 消谐启动电压:低频谐振30V,工频、高频谐振120V。
5. 电压测量精度:0.5%。
6. 频率测量精度:±1Hz。
7. 报警继电器输出触点容量:AC 240V/10A,DC 30V/10A。
8. 通信方式:RS485@9600bps。
9. 工作电源:AC220V±10%,DC220V±10%。
10. 环境温度:–10°C至 + 50°C。
11. 海拔高度:小于2000米。
12. 工作环境温度:-10℃- 60℃。
13. 空气相对湿度:90% (25℃)、50% (40℃)。
14. 使用地点不得有腐蚀性气体、蒸汽、导电尘埃,不得有爆炸性气体和破坏绝缘性气体。
15. 安装地点具有防风、防雨和防尘设施。
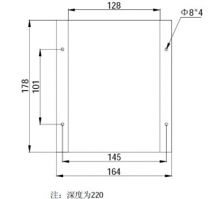
安装尺寸:(仅参考)

图片仅参考,请以实物为准
注:以上技术说明通用仅参考,因工艺技术更新等,请以所购实物为准
名称:安徽光点科技有限公司
地址:安徽合肥经济技术开发区青鸾路8号民营科技园二园
电话:0551-65226621
邮箱:lspote@163.com
网路:www.gdite.com